德彩网
欢迎来到无锡德彩网有限公司官方网站!
网站地图
德彩网
液压气动设备专业生产企业,工厂设备精良!
网站首页
德彩网
新闻中心
产品中心
荣誉证书
油缸型号
联系我们
Product classification
产品中心
液压缸
气缸
液压控制系统
工程液压油缸
冶金设备液压缸
重载型液压油缸
轻型拉杆液压油缸
非标液压缸
标准型气缸
精密细长轴
液压模拟试验台
液压缸参数
contact us
联系我们
当前位置:
首页
>>
重载型液压油缸
德彩网
产品名称
:
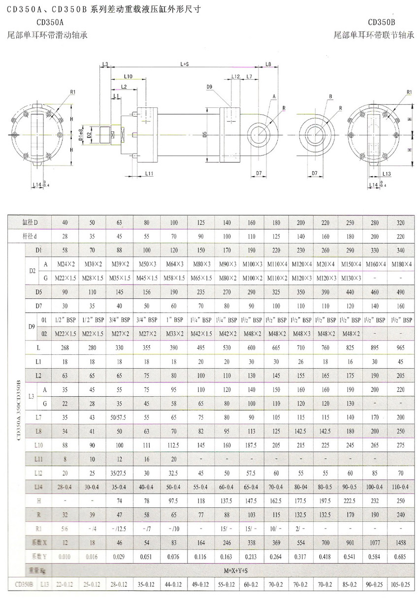
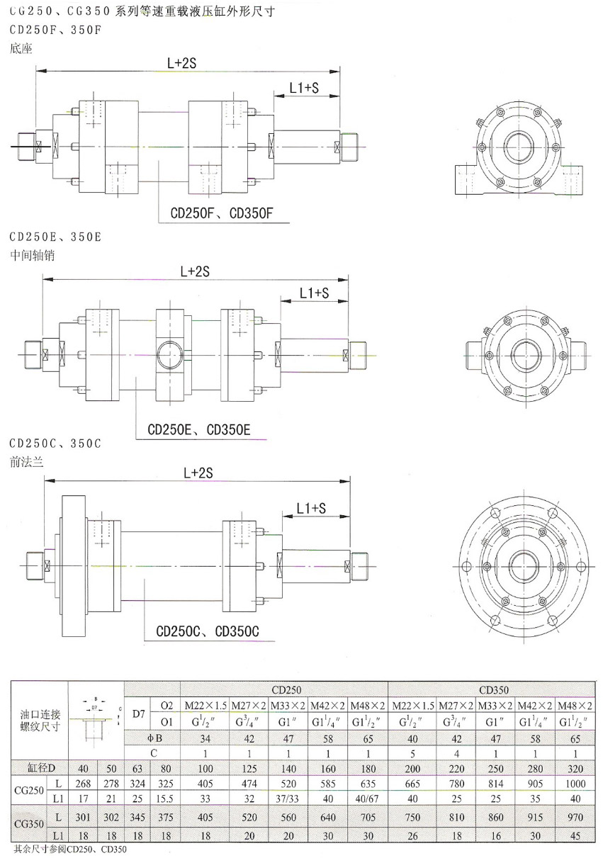
CD系列液压缸参数
产品类型
:
重载型液压油缸
发布时间
:
2025-07-23
电话咨询:0510-85598666
产品描述
其他产品
液压油缸
油缸
德彩网
液压缸
首页
联系我们
电话咨询
3000万彩票-追求健康,你我一起成长
u284彩票- 欢迎您
5630彩票(中国区)官方网站
永兴集团yx06
金彩汇 - welcome首页
u28彩票 - 首页
美彩7709|官方网站
welcome耀彩网|首页