产品中心
联系我们
德彩网
- 产品描述
-

CD/CG250、350系列重载液压缸
德彩网本系列液压缸是由14种缸径,分别按两种速比组成28种规格的单活塞双作用差动油缸。另外缸头法兰、中间轴销和底座安装三种还可作成双活塞双作用等速油缸,再加上有无缓冲与上述28种规格组成384个品种。其安装形式和尺寸符合德国钢厂和ISO3320标准,特别适合环境恶劣、重载的工作状态。广泛应用于钢铁、铸造、锻造、及机械制造等工业部门。
德彩网工作条件:工作压力MPa:25、35
工作介质:矿物油、磷酸油和水一乙二醇
工作温度°C:-30~+100 介质粘度cst:2.8~380 速度m/s:0.5(采用特殊密封可达到15)
德彩网型号 选择

250
350
缸径D
杆径d
速比w
D/d
250
350
缸径D
杆径d
速比w
D/d
√
40
20
1.3
40/20
√
160
100
1.6
160/100
√
√
28
2
40/28
√
√
110
2
160/110
√
50
28
1.4
50/28
√
180
110
1.6
180/110
√
√
35
2
50/35
√
√
125
2
180/125
√
63
35
1.4
63/35
√
200
125
1.6
200/150
√
√
45
2
63/45
√
√
140
2
200/140
√
80
45
1.4
80/45
√
220
140
1.6
220/140
√
√
55
2
80/55
√
√
160
2
220/160
√
100
55
1.4
100/55
√
250
160
1.6
250/160
√
√
70
2
100/70
√
√
180
2
250/180
√
125
70
1.4
125/70
√
280
180
1.6
280/180
√
√
90
2
125/90
√
√
200
2
280/200
√
140
90
1.6
140/90
√
320
200
1.6
320/200
√
√
100
2
140/100
√
√
220
2
320/220
德彩网CD/CG250、350系列重载液压缸技术参数规格/技术参数
缸径
D(mm)杆径
d(mm)速比w 活塞面积(cm2) 理论输出力(KN) **行程(mm) 5MPa 10 MPa 25 MPa 35 MPa 无杆腔 有杆腔 推力 拉力 推力 拉力 推力 拉力 推力 拉力 40 20 1.3 12.57 9.42 6.28 4.71 12.57 9.42 31.42 23.56 43.98 32.99 2000 28 2 6.41 3.2 6.41 16.02 22.43 50 28 1.4 19.63 13.48 9.82 6.74 19.63 13.48 49.09 33.69 68.72 47.17 3000 35 2 10.01 5.01 10.01 25.03 35.05 63 35 1.4 31.17 21.55 15.59 10.78 31.17 21.55 77.93 53.88 109.1 75.43 4000 45 2 15.27 7.63 15.27 38.17 53.44 80 45 1.4 50.27 34.36 25.13 17.18 50.27 34.36 125.66 85.9 175.93 120.26 6000 55 2 26.51 13.25 26.51 66.27 92.78 100 55 1.4 78.54 54.78 39.27 27.39 78.54 54.78 196.35 136.95 274.89 191.74 8000 70 2 40.06 20.03 40.06 100.14 140.19 125 70 1.4 122.72 84.23 61.36 42.12 122.72 84.23 306.8 210.58 429.51 294.82 90 2 59.1 29.55 59.1 147.75 206.85 140 90 1.6 153.94 90.32 76.97 45.16 153.94 90.32 384.85 225.8 538.78 316.12 10000 100 2 75.4 37.7 75.4 188.5 263.89 160 100 1.6 201.06 122.52 100.53 61.26 201.06 122.52 502.65 306.31 703.72 428.83 110 2 106.03 53.01 106.03 265.07 371.1 180 110 1.6 254.47 159.44 127.23 79.72 254.47 159.44 636.17 398.59 890.64 558.03 125 2 131.75 65.88 131.75 329.38 461.13 200 125 1.6 314.16 191.44 157.08 95.72 314.16 191.44 785.4 478.6 1099.56 670.04 140 2 160.22 80.11 160.22 400.55 560.77 220 140 1.6 380.13 226.19 190.07 113.1 380.13 226.19 950.33 565.49 1330.46 791.68 160 2 179.07 89.54 179.07 447.68 626.75 250 160 1.6 490.87 289.81 245.44 144.91 490.87 289.81 1227.18 724.53 1718.06 1014.34 180 2 236.4 118.2 236.4 591.01 827.42 280 180 1.6 615.75 361.28 307.88 180.64 615.75 361.28 1539.38 903.21 2155.13 1264.49 200 2 301.59 150.8 301.59 753.98 1055.58 320 200 1.6 804.25 490.09 402.12 245.04 804.25 490.09 2010.62 1225.22 2814.87 1715.31 220 2 424.12 212.06 424.12 1060.29 1484.4
工作条件德彩网工作压力MPa:CD/CG250 25;CD/CG350 35
德彩网工作温度℃:-30~+100
工作介质:矿物油、磷酸油和水一乙二醇运动速度m/s:0.5(采用特殊密封可达到15)
德彩网工作介质粘度cst:2.8~380 缸头与缸筒螺纹连接时CD250、D350系列螺纹钉紧固力矩
系列 活塞直径(mm) 40 50 63 80 100 125 140 160 180 200 220 250 280 320 CD250 头部和底部N.m 20 40 100 100 250 490 490 1260 1260 1710 1710 2310 2970 2970 密封盖N.m - - - - - 30 30/60 60 60 60 250 250 250 250 CD350 头部和底部N.m 30 60 100 250 490 850 1260 1260 1710 2310 2310 3390 3850 4770 密封盖N.m - - - - - 60 100 100 100 250 250 250 250 250 德彩网CD/CG250、350系列重载液压缸外形尺寸
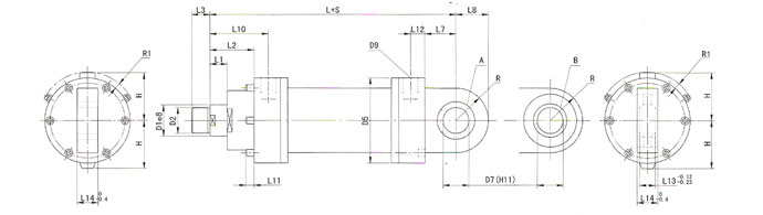
德彩网CD250A、CD250B系列差动重载液压缸外形尺寸
CD250A CD250B
尾部单耳环带滑动轴承 尾部单耳环带联节轴承

缸径D 40 50 63 80 100 125 140 160 180 200 220 250 杆径d 20/ 28/ 35/ 45/ 55/ 70/ 90/ 100/ 110/ 125/ 140/ 160/ 28 35 45 55 70 90 100 110 125 140 160 180 D1 55 68 75 95 115 135 155 180 200 215 245 280 CD250A、CD250B D2 A M18* M24* M30* M39* M50* M64* M80* M90* M100* M110* M120* M120* 2 2 2 3 3 3 3 3 3 4 4 4 G M16* M22* M28* M35* M45* M58* M65* M80* M100* M110* M120* M120* 1.5 1.5 1.5 1.5 1.5 1.5 1.5 2 2 2 3 3 D5 85 105 120 135 165 200 220 265 290 310 355 395 D7 25 30 35 40 50 60 70 80 90 100 110 110 D9 O1 1/2″ 1/2″ 3/4″ 3/4″ 1″ 1¼″ 1¼″ 1½″ 1½″ 1½″ 1½″ 1½″ BSP BSP BSP BSP BSP BSP BSP BSP BSP BSP BSP BSP O2 M22* M22* M27* M27* M33* M42* M48* M48* M48* M48* M48* M48* 1.5 1.5 2 2 2 2 2 2 2 2 2 2 L 252 265 302 330 385 447 490 550 610 645 750 789 L1 17 21 25 15.5 33 32 37/33 40 40/37 40 25 25 L2 54 58 67 65 85 97 105 120 130 135 155 165 L3 A 30 35 45 55 75 95 110 120 140 150 160 160 G 16 22 28 35 45 58 65 80 100 110 120 120 L7(A10/ 32.5 37.5 45 52.5/50 60 70 75 85 90 115 125 140 B10) L8 27.5 32.5 40 50 62.5 70 82 95 113 125 142.5 160 L10 76 80 89.5 86 112.5 132 145 160 175 180 225 235 L11 8 10 12 12 16 - - - - - - - L12 20.5 20.5 22.5 32.5 32.5 35 40 40 55 40 70 70 L14 23 28 30 35 40 50 55 60 65 70 80 80 H 45 55 63 70 82.5 103 112.5 132.5 147.5 157.5 180 200 R 27.5 32.5 40 50 62.5 65 77 88 103 115 132.5 150 R1(A10/ 7月16日 2月14日 2月9日 1.5/5 -/11.5 4/- - 27.5/- 18/- 20/- - - B10) CD250B L13 20 22 25 28 35 44 49 55 60 70 70 70 CD250A、 系数X 5 7.5 13 18 34 76 99 163 229 275 417 571 CD250B 系数Y 0.11/ 0.015/ 0.020/ 0.030/ 0.050/ 0.078/ 0.105/ 0.136/ 0.170/ 0.220/ 0.262/ 0.346/ 0.019 0.024 0.039 0.06o 0.092 0.122 0.156 0.192 0.246 0.299 0.387 0.015 重量kg M=X+Y*S
注:1.A10型用螺纹连接缸底,适用于所有尺寸的缸径。
2.B10型用焊接缸底,只用在D≤100的缸径。
3.缸头外侧采用密封盖,仅用于D≥125的缸径。
4.缸头外侧采用活塞杆导向套,仅用于D≤100的缸径。
5.缸头、缸底与缸筒螺纹连接时,当缸径D≤100时,螺钉头均露在法兰外,当缸径D>100时,螺钉头凹入缸底法兰内。
6.单向节流阀和排气阀与水平线夹角θ:CD350系列:缸径D≤200,θ=30°,缸径≥220,θ=45°,CD250系列:除缸径=320,θ=45°,其余均为30°。
7.以下表格均与此表注同。
- 其他产品